NXP宣布关闭GaN晶圆厂,彻底退出5GPA业务 行业资讯 荷兰半导体巨头恩智浦(NXP)正式宣布退出5G功率放大器(PA)市场,核心原因是5G市场恶化且无复苏前景。这一决定将导致其位于美国亚利桑那州钱德勒的ECHO晶圆厂关闭,该厂2020年9月启用,专注生产基于氮化镓(GaN)的5GPA芯片,曾被NXP称为“同类最先进”工厂。NXP在声明中表示,移动运营商投资回报率低导致5G部署放缓,全球基站部署量远低于预期,射频业务已不符合长期战略,因此决定逐步缩减射 芯城品牌采购网 2025-12-26 8972 NXP恩智浦关闭GaN晶圆厂5GPA业务
意法半导体携手SpaceX,星链核心芯片交付超50亿枚! 行业资讯 12月15日,全球芯片与航天领域传来双重重磅消息:欧洲半导体巨头意法半导体(STMicroelectronics)已向SpaceX交付超50亿枚射频天线芯片,专供星链(Starlink)卫星网络用户终端,且未来两年交付量有望翻倍;与此同时,SpaceX计划于2026年中后期启动IPO,目标估值1.5万亿美元,有望创下全球最大规模IPO纪录。自2015年建立合作以来,意法半导体一直是星链卫星网络的核 芯城品牌采购网 2025-12-22 11736 意法半导体SpaceX星链芯片
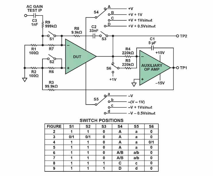
OPAMP运算放大器芯片参数的简易测量 技术方案 OPAMP运算放大器芯片是具备差分输入和单端输入的极低增益放大器。常用作低精度的模拟电路之中,因此必须对其性能展开精确测量。但在开环测定之中,开环电压可低达107或更低,并且拾音器、杂散电流或Seebeck(热电偶)效应会在放大器输入端造成非常大的电压,因此误差是难以避免的。测量过程可大大简化,通过采用一个伺服回路,被迫放大器的输入为零,容许被测放大器测定自己的误差。图1表明了一个多功能的电路,透 芯城品牌采购网 2022-12-14 12486